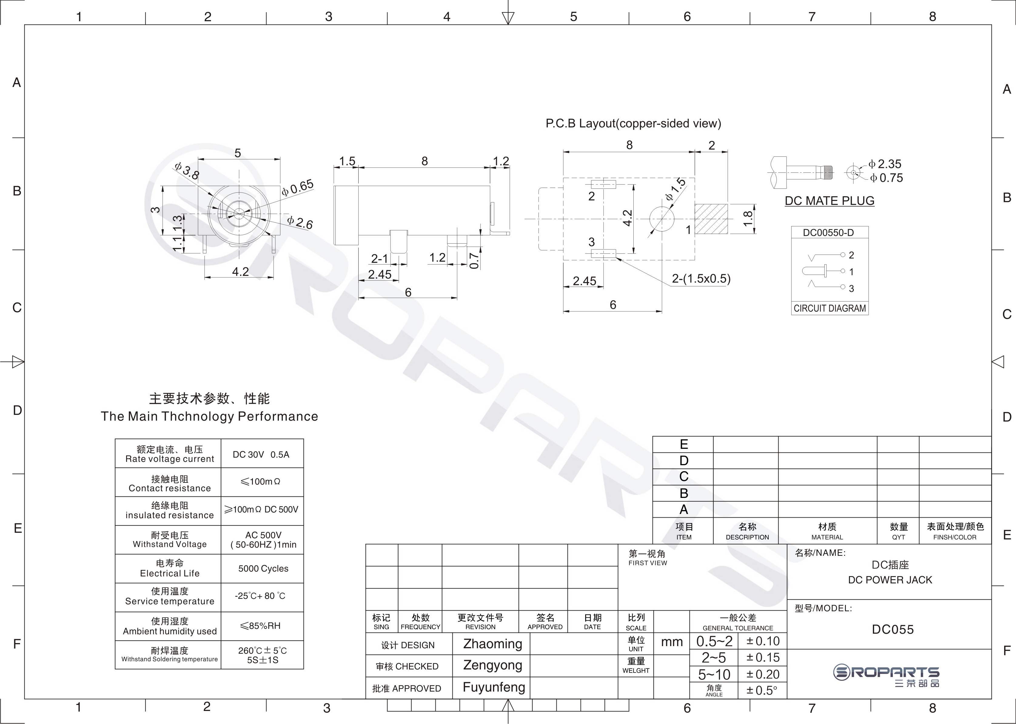
DC插座

卓越的品质、良好的服务、极具竞争力的价格。

A

DC055

  • 尺寸:Φ3.8 9.5*5*3
  • 寿命:≥5,000次
  • 操作力:3-20N
DC插座技术参数:
1. 额定负荷: DC 30V 0.5A 2. 接触电阻: ≤100mΩ
3. 绝缘电阻: ≥DC 500V 100mΩ 4. 耐焊温度: 250±5° 5s±1s
5. 使用寿命: 5,000 cycles 6. 使用温度: -20 ℃ to 80 ℃
7. 使用湿度: ≤85% RH 8. 操作力: 3-20N
应用:数码产品、便携设备、电脑、通讯产品、安防产品等

尺寸图

三荣部品优势

应用领域

咨询在线客服

微信服务号